Данная разновидность двойной цепи часто встречалась в древнем мире. В противоположность цепи с перпендикулярно расположенными сжатыми звеньями с бусинами, окруженными навитой проволокой, у данной цепи более плотный внешний вид и более гладкая линия. Отрезки могут просто прикручиваться проволокой, или концы участков могут заканчиваться концевыми элементами, которые придадут цепи другой внешний вид и характер. Сборные цепи могут скрепляться крючком или застежкой, или все участки могут быть непрерывно соединены и составлять единую цепь, которая надевается через голову.

РИСУНОК 5.12 Два участка двойной цепи с бусинами, окруженными навитой проволокой, один из отрезков просто прикручен, а на другом имеется концевой элемент.

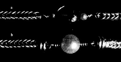
РИСУНОК 5.13 Двойная цепь с бусинами, окруженными навитой проволокой: (
а) проволока навита на последние петли отрезков:
(b) с концевыми элементами
При изготовлении разновидностей цепи с использованием проволоки различного диаметра, ригелей различных размеров или концевых элементов сначала определитесь с размером бусин, длиной отрезков цепи, длиной законченной цепи, с соответствием калибра проволоки размеру ригеля, а затем определите количество бусин и отрезков цепи, которые будут необходимы для достижения необходимой длины.
МАТЕРИАЛЫ, НЕОБХОДИМЫЕ ДЛЯ ИЗГОТОВЛЕНИЯ ЦЕПИ 18" (45 см) С 12 ОТРЕЗКАМИ 11/2" (4 см)
Длина каждого отрезка составит 11/2" (4см), включая бусину, окруженную навитой проволокой.
15 футов (457 см) проволоки 22 (B&S) калибра из чистого серебра для изготовления звеньев
2 фута (61 см) проволоки 24 калибра (B&S) из чистого серебра для навивки вокруг бусин
Ригель 5/16"
11 бусин диаметром от 5 до 8 мм
ХОД РАБОТЫ
ПОДГОТОВКА 132 ЗВЕНА ЦЕПИ
Навивкa проволоки,
разрезание ,
соединение и сплавление концов звеньев
производится в соответствии с основными указаниями.
ПРИДАНИЕ ЗВЕНЬЯМ ФОРМЫ И ПЛЕТЕНИЕ ЦЕПИ
Следуйте указаниям, приведенным для основной двойной цепи (цепь 11) до 10 операции для плетения 12 отрезков цепи длиной 1" (2,5 см).
Проведите отжиг отрезков и уплотните их.
КОНЦЕВЫЕ ЭЛЕМЕНТЫ И ПОЛИРОВКА
На данной стадии при использовании концевых элементов следуйте указаниям касательно
замка H для того,
чтобы подготовить концевые элементы (в два раза больше чем количество отрезков), припаять их к концам отрезков
и добавить замки.
ПРИМЕЧАНИЕ: обязательно рассчитайте длину изделия, учитывая то, что концевые элементы ее увеличат. Протравите отрезки после пайки. Если необходимо провести полировку в галтовочном барабане, то это необходимо провести в данный момент; после того, как на цепь будут нанизаны бусины, галтовку производить нельзя.
НАВИВКА ПРОВОЛОКИ ВОКРУГ БУСИН И СОЕДИНЕНИЕ ИХ С ОТРЕЗКАМИ ЦЕПИ
(Более детальное описание по навивке проволоки вокруг бусин смотрите в разделе для Цепи 8)
1. Разрежьте проволоку для навивки отрезками по 2" (5 см); один отрезок для каждой бусины.
2. При помощи круглогубцев захватите проволоку в точке, отступающей от края на одну треть длины, согните при помощи круглогубцев под углом 90°.

РИСУНОК 5.14 Захват и изгибание проволоки
РИСУНОК 5.15 Размещение проволоки в круглогубцах 3. Переместите круглогубцы выше в точку, находящуюся сразу за изгибом

РИСУНОК 5.16 Перемещение круглогубцев

РИСУНОК 5.17 Изгибание проволоки вокруг и вниз
4. Сгибайте проволоку вокруг верхней губки круглогубцев поперек нижней стороны проволоки, оборачивая ее не плотно вокруг губки круглогубцев.

РИСУНОК 5.18 Вид перекрещивающейся проволоки
5. Протяните один конец проволоки через петли последнего звена отрезка цепи (или кольца на конце) и сожмите проволоку, предназначенную для навивки, в месте пересечения концов.

РИСУНОК 5.19 Продевание проволоки, предназначенной для навивки, в цепь
6. Захватите петлю проволоки, предназначенной для навивки, при помощи кругло-плоских щипцов, и затем при помощи круглогубцев захватите свободный более короткий конец проволоки.

РИСУНОК 5.20 Захват проволоки, предназначенной для навивки
7. Удерживая более короткий конец проволоки перпендикулярно более длинному концу проволоки, потяните так, чтобы плотно обернуть короткий конец вокруг длинного, пока не сделаете два полных витка. Лишнюю проволоку не обрезайте.

РИСУНОК 5.21 Навивка проволоки, шаг 1

РИСУНОК 5.22 Навивка проволоки, шаг 2
8. Охватите круглогубцами место навивки проволоки для того, чтобы измерить его ширину и отметить расстояние.

РИСУНОК 5.23 Измерение ширины первой навивки
9. Наденьте бусину на более длинный конец проволоки, пока она не коснется Витков проволоки. Захватите щипцами свободный конец проволоки с другой стороны бусинки на том же расстоянии, что и ширина измеренных выше витков. Согните проволоку под углом 90°.

РИСУНОК 5.24 Измерение ширины второй навивки
10. Повторите операции 2 - 7, присоединяя другой отрезок цепи, и формируя навивку на противоположной стороне бусины.
11. При помощи лишней проволоки на концах витков откорректируйте витки, чтобы они равномерно располагались по обе стороны бусины. Прижмите оба конца проволоки как можно ближе к бусине.
12. Прижмите каждый конец проволоки к бусине и к центральной проволоке при помощи кругло-плоских щипцов.

РИСУНОК 5.25 Концы проволоки, прижатые к бусине
13. Закончите цепь, повторив операции оставшимися отрезками и бусинами.
14. В завершение, выберите замок для завершения работы над цепью
(замки:
А,
B,
D,
E
или
F
).